| Sign In | Join Free | My frbiz.com |
|
Brand Name : Unicomp
Model Number : UNMS-U150B
Certification : CE, FDA
Place of Origin : China
MOQ : 1set
Price : Can be negotiated
Payment Terms : T/T, L/C
Supply Ability : 100 Per Month
Delivery Time : 2 Weeks
Packaging Details : Thick wooden box
Key Parameter:
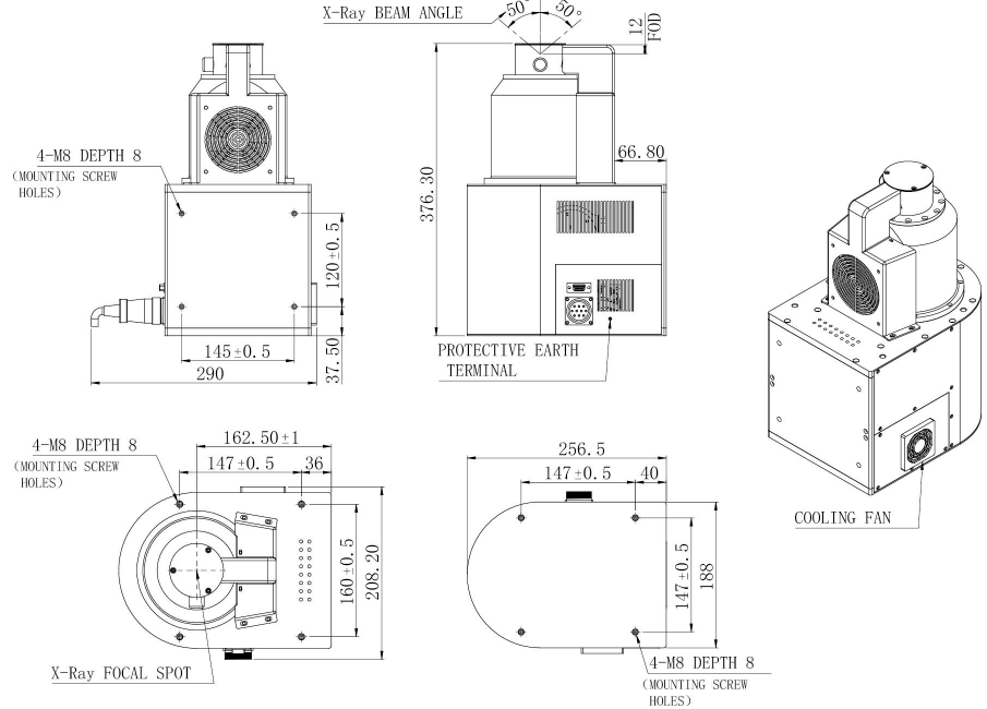
Max. Tube Power: 60W
Max. Tube Voltage: 150kV
Beam Angle: 110±3°
Min. Spot Size: ≤7μm
Applications:
Integrated Circuit Package
EV Battery
SMT, PCBA ,Electronic Manufacturing
IGBT Substrate / Module
Specifications:
| Operating Tube Voltage Range | 40-150 kV | ||
| Operating Tube Current Range | 0-400 μA | ||
| Maximum Tube Power | 60W | ||
| <150W | ||
| Input Voltage (DC) | 48±0.5V | ||
| Window Material/Thickness | Be/0.51mm | ||
| Window Diameter | 38mm | ||
| Beam Angle | 100±3° | ||
| Target Material | Tungsten | ||
| Weight | Approx.15kg | ||
| FOD | 12±0.5mm | ||
| Safty Interlock | External Short-circuit | ||
| Continuous | ||
| Control Connection | Digital Control |
X-ray Images:



Footprint:

|
|
IGBT Defects Control Microfocus X Ray Source Installed on X Ray Detection Machine Images |